购物车(
0
)
我的订单
会员中心
登入
重要讯息
常见问题
联络我们
首页
公司简介
专案应用
单体/模块
单体
声音模块
DIY套件
HI-Fi
箱体建议
成品(系统)
吸顶喇叭
入墙喇叭
开关喇叭
功放
其它
谐振板
一般谐振板
谐振板搭配专案
谐振式喇叭
风管
线材
吸音/减振棉
吸音棉
减振棉(雜棉)
首页
>
其它
>
谐振板
>
谐振式喇叭
>
W4-2089B
☆ 春節假期:2/07 ~3/01暫停出貨
☆ 模块端子的接线方式
☆ 声音模块的应用 (影片介绍)
☆ 低音炮模块 & 谐振板搭配项目 (影片介紹)
☆进阶版-全频声音模块概念 (影片介绍)
☆ W4-2356 重磅登場
☆ TW3-2402S
☆ 全频同轴 W4-2315
☆ 以下影片,协助您对我们官网的了解!!
☆ #0030.001 Y插 喇叭线
☆ AMH200-100 2.0 功放, 50W每声道
prev
next
W4-2089B
4" 谐振喇叭
PDF
产品描述
:
依W4-2089的框, 鼓纸, 弹波做成谐振式喇叭
客户可依需求自行予搭配
单位 : 个
毛重 : 0.53公斤
购物车
W4-2089B
单价
¥86.0
“4个”以上
¥81.7
数量
个
加入购物车
立即结帐
大量订购
产品介绍
技术参数
产品号码:
W42089B
产品名称:
4" 谐振喇叭
谐振板有效振动面积 (SD):
0.0075 M²
谐振板MMS:
35 g
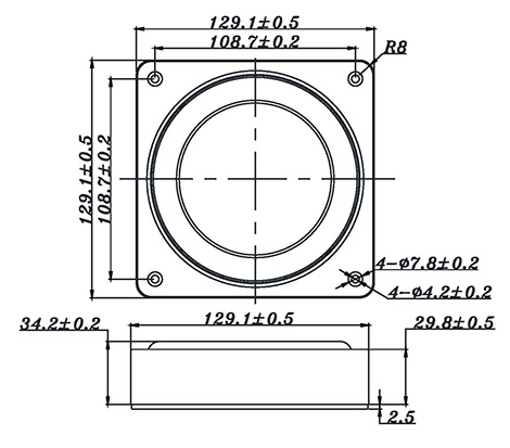
谐振板尺寸:
129.1*129.1*34.2 H mm
谐振板形状:
正方形
谐振喇叭本身重量:
233 g